Products
A cartridge hand pump is a compact hydraulic power component. Unlike common large independent hand pumps equipped with oil tanks, this unit is designed as an integrated component similar to a cartridge valve. It is installed by screwing it directly into a hydraulic manifold via threads.
Core Features
-
Cartridge Design: The pump body features standard threads, such as the common SAE 10-2 or 16-3 cavities. It can be installed directly inside a manifold block to significantly save system space.
-
Compact and Portable: These units are generally very small in volume. The handles are often designed to be detachable or capable of 360 degree rotation to facilitate operation in confined spaces.
-
Integrated Check Valves: Most cartridge hand pumps have suction and discharge check valves integrated internally. You simply screw the unit into the valve cavity to begin operation without requiring additional wiring or external valve components.
Main Applications
These pumps typically serve as auxiliary or emergency equipment:
-
Emergency Backup Power: Provides manual drive for hydraulic actuators, such as retracting cylinders or releasing brakes, when the main pump fails or power is lost.
-
System Pressure Compensation: Used for micro oil replenishment in systems requiring long term pressure maintenance.
-
Pressure Testing: Acts as a pressure source for small, portable testing devices.
-
Heavy Equipment Parking Brake Release: Manually releases parking brakes on construction machinery that cannot start, allowing the equipment to be towed.
Cartridge Hand Pump HP-10
Cartridge Hand Pump is indispensable in some hydraulic integrated circuit. Cartridge Hydraulic Hand Pump could be mounted inline using standard housing or special blocks. Handle is offered as option in case of frequent operation.
Cartridge Hand Pumps HP-10 OPERATION

When the operator is pushed, the valve delivers a nominal flow of 10.0cc to the port. When the operator is pulled, the valve suctions fluid from the port.
Cartridge Hand Pumps HP-10 Cavity

Cartridge Style Hand Pump HP-10 Symbol

Cartridge Style Hand Pump HP-10 SPECIFICATIONS
Operating Pressure :288Bar
Flow : 10.0 cc per stroke.
Internal Leakage :2 drops/min. max. at 138Bar
Temperature:-22°F to +250°F (-30°C to +120°C)
Recommended Filtration :ISO 16/12
Fluids:Mineral-based fluids. For other fluid compatibility, consult factory.
Body Material :Anodized 6061T6 aluminum
Cartridge Hydraulic Hand Pump HP-10 INSTALLATION DIMENSIONS

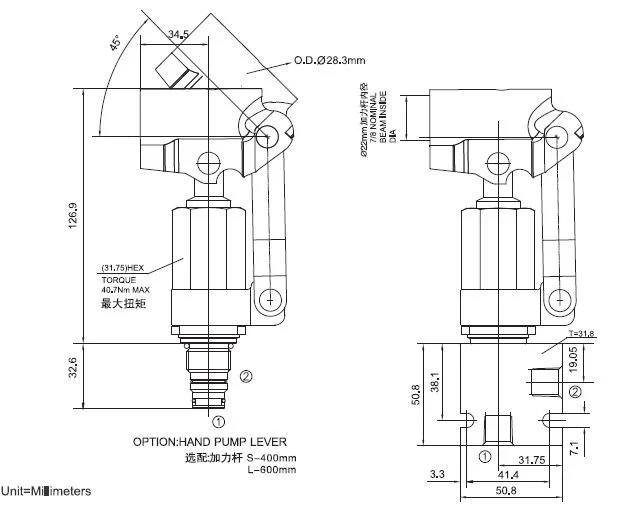
Operated Cartridge Hand Pump HP-08
The Operated Cartridge Hand Pump screw into an industry standard cavity machined into the manifold. Installation takes seconds rather than piping up, the unit is very compact and highly cost effective. Inlet and outlet non return valves are integrated into the unit. A 360 degree swivel allows operation to suit the operator.
Operated Cartridge Hand Pump HP-08 FEATURES

Cast Beam for heavy duty applications.
Hardened parts for long life.
Industry common cavity.
Operated Cartridge Hand Pumps HP-08 OPERATION
When the operator is pushed, the valve delivers a nominal flow of 8.8cc to the port. When the operator is pulled, the valve suctions fluid from the port.
Operated Cartridge Hand Pumps Cavity

Cartridge Hydraulic Hand Pumps HP-08 Symbol

Cartridge Hydraulic Hand Pumps HP-08 SPECIFICATIONS
Operating Pressure :288Bar
Flow : 8.8 cc per stroke.
Internal Leakage :2 drops/min. max. at 138Bar
Temperature:-22°F to +250°F (-30°C to +120°C)
Recommended Filtration :ISO 16/12
Fluids:Mineral-based fluids. For other fluid compatibility, consult factory.
Relief Valve

Primary Relief Valve and Secondary Relief Valve (Sometimes used as Primary)
Relief valves primary function is to prevent over pressurization of hydraulic system. On a double acting circuit a second relief valve will be placed after the check valve to prevent thermal expansion & over pressurization of cylinder. This could result in catastrophic failure.
Common Problems with Relief Valves
- Debris stuck on valve seat causing relief valve not to build maximum system pressure
- Adjustment screw being screwed in all the way causing the spring to compress & crack early or not be able to be readjusted to specified pressure setting. (most relief valves will start to crack 100-300 psi before full bypass)
- Torn or extruded O-rings
Check Valve

A check valve is similar to a relief valve but has a lighter spring allowing the fluid to pass through it with little pressure loss. The purpose for this relief valve in the hydraulic circuits covered in this guide is to prevent the fluid from back flowing to the pump.
Common Problems with Check Valves
- Debris stuck on valve seat
- Torn or extruded O-rings
- Silting – Debris buildup in valve causing poppet not to move freely
Normally Closed 2-Way

A Normally Closed 2-Way is nothing more than a solenoid operated check valve. When the Solenoid (coil) is activated the pilot pin retracts allowing the pressure to equalize on either side of the poppet then the poppet will retract.
Common Problems with Normally Closed 2-Way
- Debris stuck on valve seat
- Torn O-rings on nose
- Silting – Debris buildup in valve causing poppet not to move freely
- Bent Stem on valve (Stem is the portion of the valve the coil slides over)
Directional Control Valve

Directional Control Valves simply tell the hydraulic fluid where to go. By activating the Solenoid (coil) the spool will shift changing the flow path.
The tolerances between the spool & the cage are tight & overtime these tolerances can increase causing the valve to have excessive leakage. You might notice this if over time, the cycle times have been increasing where eventually you won’t be able to lift a load.
Common Problems with Directional Valve
- Electromagnetic coil not activating
- Over torqued valve (18ft-lbs. Max)
- Torn or extruded O-rings
- Debris stuck in valve
- Rust inside valve preventing spool from shifting
- Bent Stem on valve (Stem is the portion of the valve the coil slides over)
Ways to Check Directional Control Valve
- Valve not shifting
- Ensure valve is not bent (stem is the section of valve the coil slides over)
- Remove valve from manifold
- Use dipstick on breather to push in section 1 on nose of valve. This will manually shift the valve.
- If you can’t shift the valve check for debris & or replace
Trick: By removing the white wire from the start solenoid you can place the coil back on the valve & shift the valve after it has been removed from the manifold. The valve should shift just as fast as you press the button if you see the valve hesitate to shift clean valve & try again. If problem persists replace valve
- Valve stuck in activated position
- After removing valve check spool to see if it is covering the bottom half of the crossed drilled holes in section 2 of valve
- In the valves spring offset position valve should cover the bottom half of the crossed drilled holes on section 2 & 4
Load Holding Valve

The load holding valve checks both rod & bore end of cylinder, this valve is different than any other load holding valve. The solenoid (coil) operated portion allows you to retract the cylinder without having to add an orifice to restrict the flow of fluid down like you would with a dual pilot operated check valve.
Common Problems with Directional Valve
- Debris in check valves
- Bent Stem on valve (Stem is the portion of the valve the coil slides over)
- Air in system not allowing pilot operated check valve to open
Frequently Asked Questions
Your Hydraulic Solutions, One Step Away
Whether you need a standard product or a custom solution, our team is here to deliver precision-engineered hydraulic systems tailored to your needs. Let’s bring your project to life with the right hydraulic solutions.
Contact Us
Interested in our products, pricing, MOQ, or customized solutions? Fill out the form below to submit your inquiry or request a quote, and our team will get back to you within 24 hours.
Latest News
The company’s business philosophy is to create a quality brand and win customer loyalty, not only by providing customers with quality products but also by offering excellent after-sales service.


