Definition and Core Function
A cartridge check valve is a compact one-way directional valve designed for direct installation into the cavities of hydraulic manifold blocks or integrated line bodies. By allowing fluid to flow in a single direction while blocking reverse flow, it serves to protect pumps, maintain system pressure, and prevent fluid backflow.
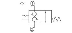
Working Principle and Structure

The core of a cartridge type check valve typically consists of a valve poppet (or ball), a biasing spring, and a valve sleeve.
-
Forward Opening: When the inlet pressure exceeds the sum of the outlet pressure and the spring force (reaching the “cracking pressure”), the pressure differential pushes the poppet open to allow fluid passage.
-
Reverse Shut-off: When fluid attempts to flow in reverse, the outlet pressure combines with the spring force to press the poppet tightly against the valve seat, achieving a leak-free seal.
-
Pilot-Operated Function: Certain models, such as pilot-operated cartridge check valves, feature an additional control oil port. When pilot pressure is applied, the poppet is forcibly opened to allow reverse flow.
Key Selection Indicators

When selecting a cartridge check valve, focus on the following technical parameters:
-
Rated Flow: The actual working flow should not exceed 80% of the valve’s rated flow to ensure overall system stability.
-
Cracking Pressure: Common specifications include 0.5, 1.5, and 3.0 bar. Selection should be based on the return line backpressure or specific system requirements.
-
Installation Types: Options include threaded cartridge valves (fixed by threads) and two-way cartridge valves (secured by a cover plate). The former is predominantly used in low-flow systems, while the latter is suitable for high-flow applications.
One:Characteristic Description :
1、Pressure Losing Very Low.
2、Operating pressures up to 315bar(4565psi).
3、Hardened precision parts for long life and low leakage.
4、Part ion product accord with industry common cavity.
5、External parts zinc pained or oxidant.
6、Check valve’ s cracking pressure is optional.
7、Compact size.
Two:Function Choice

Technical Specifications & Data Sheets
Please review the detailed technical parameters of our Cartridge Check Valve series below to ensure optimal performance for your hydraulic system. You can access the complete PDF specifications for each model by clicking the links within the table. If our standard ranges do not meet your specific operational requirements, please contact our engineering team for personalized technical consultation.
Frequently Asked Questions
Your Hydraulic Power Unit Solution Starts Here
Whether you need a standard hydraulic power unit or a custom power unit solution, our team is here to deliver precision-engineered products tailored to your needs. Let’s bring your project to life with the right hydraulic power unit solution.
Contact Us
Interested in our products, pricing, MOQ, or customized solutions? Fill out the form below to submit your inquiry or request a quote, and our team will get back to you within 24 hours.
Latest News
The company’s business philosophy is to create a quality brand and win customer loyalty, not only by providing customers with quality products but also by offering excellent after-sales service.


