Description

The Dump Trailer Pump is widely used in small tipper trailers, designed for efficient lifting and lowering applications. It is equipped with a 24V DC 2KW hydraulic motor and offers reliable performance.
- Flow Rate: 1.38 to 1.78 GPM
- Oil Reservoir: Steel or plastic, with a capacity of 3.17 to 5.28 gallons
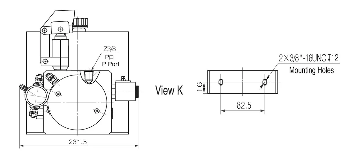
- Cartridge Valve and G3/8 Oil Port
- System Pressure: 2610 to 2900 PSI
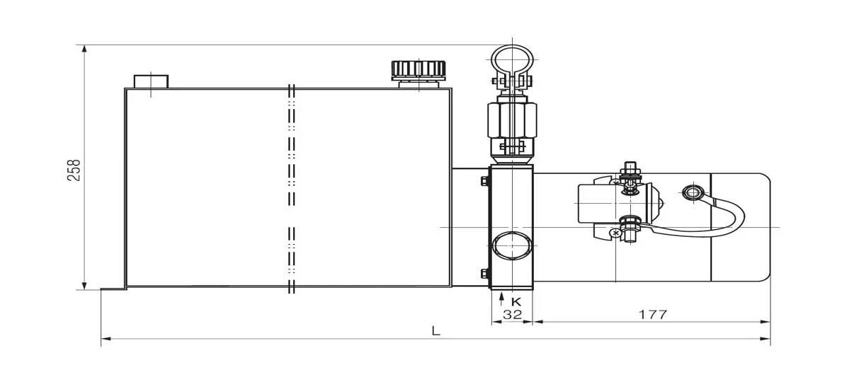
The power unit is integrated with a cartridge hand pump, with a displacement of 8cc or 10cc per stroke. In the event of a power failure, a backup power source ensures the tipper trailer can still be lifted. The lowering movement is activated by the cartridge hand pump.
Drawing
Standard hydraulic circuit diagram shown below. We provide professional customization for oil port threads, manifold blocks, and mounting brackets to meet your specific engineering requirements.


Precautions
Over 80% of hydraulic system failures are caused by improper use of hydraulic oil. Therefore, correct use of hydraulic oil is crucial to ensure system reliability, especially in applications like the Dump Trailer Pump.
- The oil viscosity should be between 22-46 mm²/s, in line with ISO3448 viscosity standards, to ensure smooth operation.
- Before use, filter the hydraulic oil with a 10-30um filter. For optimal performance, we recommend using N46 hydraulic oil, particularly for systems like Dump Trailer Pumps.
- Clean all hydraulic components before installing the mini hydraulic power pack and check the oil level in the tank after the initial run to ensure optimal performance.
- Oil changes should be performed after the first 100 operating hours and then every 3000 hours.
- We offer Dump Trailer Pump solutions customized to your specific power, flow, pressure, and tank capacity requirements.
- The electric hydraulic pump should be installed horizontally. It operates with an S3 duty cycle (30 seconds on, 270 seconds off) to prevent overheating. Maintain a 1:9 ratio between operating and idle time to ensure thermal equilibrium.
Model
| Model |
Volt engine |
Motor Power |
Rated Speed |
Displacement |
System Pressure |
Tank Capacity |
L(mm) |
| HPP 2F2.112D1203H |
12VDC |
1.5KW |
2500RPM |
2.1mL/r |
20MPa |
12L |
559 |
| HPP 2F2.520D1203H |
2.5mL/r |
20L |
791 |
| HPP 2F2.512D2404H |
24VDC |
2.0KW |
12L |
559 |
| HPP 2F2.716D2404H |
2.7mL/r |
18MPa |
16L |
676 |
Need technical details or pricing? Please Contact Us for an immediate response and expert guidance on your project.