A cartridge relief valve is a compact hydraulic control component designed for direct installation into the machined cavities of a valve block, also known as a Hydraulic Integrated Circuit (HIC). Its primary function is to limit the maximum pressure of the hydraulic system. When the system pressure exceeds a preset value, the valve opens and directs excess fluid back to the reservoir. This mechanism effectively protects pumps, motors, and seals from overpressure damage.
Technical Advantages
Compared to traditional line-mounted valves, the cartridge pressure relief valve offers several significant benefits:
-
Space Efficiency: Direct installation in the manifold reduces the requirement for extensive piping and fittings.
-
Leakage Reduction: Minimizing external connection points significantly lowers the risk of overall system leakage.
-
Maintenance Convenience: In the event of a failure, the operator can simply unscrew the unit and replace it without dismantling the entire machine’s piping.

Working Principle
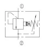
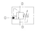
The pressure relief cartridge valve typically utilizes a diaphragm-based design. Its operation relies on the sensitive reaction of the diaphragm. When internal pressure surpasses the preset limit, the diaphragm deforms rapidly to open the valve port. This action creates a passage to release excess hydraulic fluid outside the system. This process ensures stable operation and prevents damage from excessive pressure.
Primary Applications
-
Pipeline Pressure Release: The valve opens when fluid pressure exceeds limits to prevent pipe damage.
-
Crack Prevention: By controlling pressure, it effectively prevents components from cracking under high stress.
-
Seepage Prevention: It protects seals from damage caused by fluid leaks or extreme pressure.
-
Service Life Extension: Maintaining proper pressure reduces component wear and extends the lifespan of the entire hydraulic system.

Characteristic Description:
1.Rapid response to pressure surges.
2.Operating pressures to 350bar(5000psi).
3.Hardened precision parts for long life and low leakage.
4.Partion products accord with industry common cavity.
5.Compact size.
6.Optional spring ranges.
7.External parts zinc plated or oxidated.
Function Choice:

Technical Specifications & Data Sheets
Please review the detailed technical parameters of our Cartridge Relief Valve series below to ensure optimal performance for your hydraulic system. You can access the complete PDF specifications for each model by clicking the links within the table. If our standard ranges do not meet your specific operational requirements, please contact our engineering team for personalized technical consultation.
Frequently Asked Questions
Your Hydraulic Solutions, One Step Away
Whether you need a standard product or a custom solution, our team is here to deliver precision-engineered hydraulic systems tailored to your needs. Let’s bring your project to life with the right hydraulic solutions.
Contact Us
Interested in our products, pricing, MOQ, or customized solutions? Fill out the form below to submit your inquiry or request a quote, and our team will get back to you within 24 hours.
Latest News
The company’s business philosophy is to create a quality brand and win customer loyalty, not only by providing customers with quality products but also by offering excellent after-sales service.












