Lift table hydraulic pump is the core power component of hydraulic lifting equipment, designed to boost material handling efficiency. It is widely used in scissor lift tables, material lifts, and small-tonnage applications, supporting electric-up/gravity-down single-acting cylinders or electric-up/down double-acting configurations.
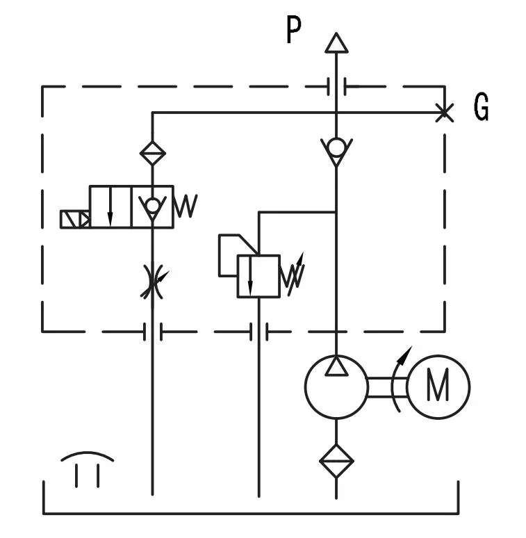
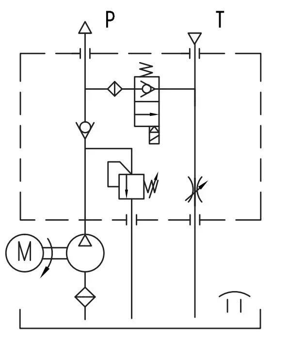
Lift Table Hydraulic Pump Schematic
The pump draws oil from the reservoir, pressurizes it via motor-driven gear action, and directs it to the cylinder to extend scissor arms for platform lift. Descent uses solenoid valves to release pressure, with flow control via balance or throttle valves for safe, controlled lowering.


Key Components
Lift table hydraulic pumps integrate essential components for reliable hydraulic performance.
- High-pressure gear pumps: Deliver pressurized oil to drive lifting action.
- Single- or three-phase motors: Power the pump for consistent operation.
- Aluminum central manifolds with cartridge valves: Manage oil flow and control functions.
- Plastic or steel reservoirs: Store hydraulic fluid safely.
The manifold links the motor, pump, and tank to ensure smooth flow to cylinders, offering vertical or horizontal mounting options.


Specifications
| AC: | 220V/380V |
| Power: | 1.1Kw |
| Pump: | 2.1ml/r |
| Pressure: | 18Mpa |
| Tank: | 9L |
| Mounting: | Vertical OR Horizontal |
| Power: | Hydraulic Packaging & Delivery |
| Warranty: | 1 Year |
| Minimum Order: | 1 Piece |
| Supply Ability: | 2500 Pieces/Month |

Browse Our Full Product Range
Explore our high-performance lift table hydraulic pumps below. As a direct manufacturer, we ensure consistent quality and reliable delivery for every unit in our catalog.
Frequently Asked Questions
Your Hydraulic Solutions, One Step Away
Whether you need a standard product or a custom solution, our team is here to deliver precision-engineered hydraulic systems tailored to your needs. Let’s bring your project to life with the right hydraulic solutions.
Contact Us
Interested in our products, pricing, MOQ, or customized solutions? Fill out the form below to submit your inquiry or request a quote, and our team will get back to you within 24 hours.
Latest News
The company’s business philosophy is to create a quality brand and win customer loyalty, not only by providing customers with quality products but also by offering excellent after-sales service.


