The scissor lift hydraulic pump serves as the primary energy converter in the lifting circuit, transforming mechanical torque into controlled hydraulic power. In demanding aerial work environments, the reliability and performance integrity of the scissor lift pump directly influence the system’s duty cycle and operational safety. We provide professional‑grade components engineered for seamless integration into existing hydraulic power units.

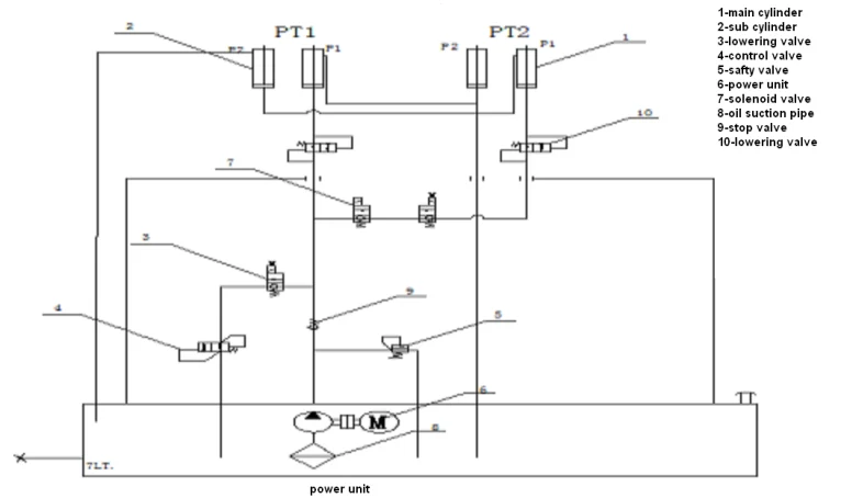
Scissor Lift Hydraulic Pump Schematic

The technical schematic below details the circuit architecture of a professional scissor lift hydraulic pump system. It provides a visual overview of the fluid distribution and safety valve logic required for synchronized platform operation.
Technical Specifications and Customization
| Model | Volt engine | Motor Power | Rated Speed | Displacement | System Pressure | Tank Capacity |
|---|---|---|---|---|---|---|
| HPP-30G2.125A2204V | 220V | 2.2kW | 2800RPM | 2.1mL/r | 25MPa | 25L |
| Hpp-30G2.5J25A2204V | 380V | 2.2kW | 2800RPM | 2.5mL/r | 25MPa | 25L |
We offer comprehensive customization for hydraulic power packs to meet diverse engineering standards. Our production capabilities include:
-
Motor Range: AC and DC motors options spanning from 0.37kW to 7.5kW, with custom power ratings available upon request.
-
Integrated Components: A full suite of central manifold blocks, specialized hydraulic valves, and high pressure reservoirs.
-
System Logic: Optimized for single acting circuits, our pumps account for the mechanical disadvantage of scissor arms in the flat position, ensuring peak pressure delivery during the initial lift phase.

Safety and Reliability Standards
Every scissor lift pump we supply is designed to work in tandem with critical safety mechanisms. Our components facilitate the stable operation of overload protection valves and check valves to prevent reverse flow. To ensure site safety, our hydraulic solutions are compatible with emergency lowering valves and hose burst protection, maintaining platform stability even during power interruptions.
Frequently Asked Questions
Your Hydraulic Solutions, One Step Away
Whether you need a standard product or a custom solution, our team is here to deliver precision-engineered hydraulic systems tailored to your needs. Let’s bring your project to life with the right hydraulic solutions.
Contact Us
Interested in our products, pricing, MOQ, or customized solutions? Fill out the form below to submit your inquiry or request a quote, and our team will get back to you within 24 hours.
Latest News
The company’s business philosophy is to create a quality brand and win customer loyalty, not only by providing customers with quality products but also by offering excellent after-sales service.


