Our double acting hydraulic pump systems are engineered to deliver stable, bidirectional hydraulic power for dock leveling equipment operating under continuous loading cycles. Each hydraulic double acting pump unit is configured to provide controlled extension and retraction of cylinders, ensuring smooth platform lifting, lip extension, and return movement without reliance on external forces.

Working Principle
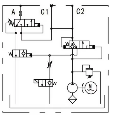
The double acting hydraulic pump drives hydraulic oil from the reservoir into the cylinder through a directional valve system. By switching valve states, the oil flow direction is reversed, enabling powered lifting and lowering.
Key operational characteristics:
- Pressurized oil drives cylinder extension for platform lifting
- Reverse flow enables controlled retraction without free fall
- Internal valves maintain load holding and prevent pressure loss
- Continuous duty cycles supported under stable thermal conditions
This closed-loop hydraulic control ensures predictable motion under varying load conditions.

Technical Specifications
Each hydraulic double acting pump can be tailored to match system integration requirements:
- Voltage and motor configuration
- Tank capacity and material
- Flow rate and pressure settings
- Valve logic and control method
- Mounting orientation and port layout
| Weight: | 40.00 LBS |
| PSI: | 2500 |
| Port Size: | SAE 6 |
| GPM: | 1.3 GPM |
| Tank Size: | 8 Qt. Steel |
| Voltage: | 12 VDC, S3 Duty |
| Action: | Double Acting, Solenoid Operated |

The Application of the Double Acting Hydraulic Power Unit

Mobile and Rescue Equipment

Industrial Manufacturing

Logistics and Warehousing

Agriculture
Hydraulic System Configuration
A typical hydraulic double acting pump system integrates:
- High-pressure gear pump optimized for cyclic operation
- Electric motor (single-phase or three-phase AC)
- Solenoid-operated directional control valve (commonly 3-position / 4-way)
- Built-in check valve and pressure relief valve
- Steel or polymer reservoir with compact footprint
The system is designed to operate within standard industrial pressure ranges, typically up to 2500–3200 PSI, with flow rates aligned to dock leveler lifting speeds.

Types of Hydraulic Double Acting Pump
AC Power Units
AC-driven hydraulic double acting pump systems are the standard choice for fixed dock installations.
- Compatible with single-phase and three-phase supply
- Stable torque output for repetitive operation
- Suitable for long duty cycles with minimal thermal fluctuation
- Common in warehouses, logistics hubs, and distribution centers
Three-phase configurations are preferred where higher load capacity and continuous operation are required.
DC Power Units
Although less common in dock systems, DC-based double acting hydraulic pump units are used where power flexibility is required.
- Operate on 12V or 24V DC supply
- Can be integrated with battery systems or mobile platforms
- Suitable for temporary or mobile dock solutions
Optional wireless control systems can be integrated for remote operation.
FAQ
Our Products
Frequently Asked Questions
Your Hydraulic Solutions, One Step Away
Whether you need a standard product or a custom solution, our team is here to deliver precision-engineered hydraulic systems tailored to your needs. Let’s bring your project to life with the right hydraulic solutions.
Contact Us
Interested in our products, pricing, MOQ, or customized solutions? Fill out the form below to submit your inquiry or request a quote, and our team will get back to you within 24 hours.
Latest News
The company’s business philosophy is to create a quality brand and win customer loyalty, not only by providing customers with quality products but also by offering excellent after-sales service.


